
車誌編輯部
发布书接上一回:上世纪六十年代初,随着BMW“Neue Klasse”的推出,标志着宝马这个品牌重新定位到“运动车型”的开始,在1966年推出的02系等车型更是明确了这个品牌发展战略,作为如今宝马3系的起源,第一代3系(E21)无论是在公司财务还是在品牌形象上都带来极大的提升,它的生产周期持续到1982年(美版316于1983年下岗),才被它的继任者、第二代3系(E30)接替下岗,E30除了延续了在E21身上出现的运动特性以外,还提供更多不同的版本,让更多用户能根据自己的喜好和用途进行选择。

图:在第一代3系(E21)不仅让全球众多用户带来相当高的满意度,在短短的6年生产了超过100万辆大关,直到停产共生产了1,364,039辆,有了前辈这些成功作为铺垫,新一代便可以大踏步更上一层楼。
虽然第一代3系(E21)在销量上取得的巨大的成功,但在技术、车身刚度、空气动力学以及制造成本上依旧存在一些缺陷,在E21正卖的热火朝天时,第二代车型E30在1976年7月开始着手开发,针对第一代车型乘员空间不足的诟病,宝马高层希望在第二代车型中尝试创建一个能加长轴距的新平台,以提高座舱空间,同时在悬挂部分尤其是针对后桥进行升级,即便在湿滑路面上也能够具有一定的可控性,强化操控和安全性。同时,在E30当中并不像早前车型可以共用更多零件,唯一与旧款车型共用的是发动机盖上的车标。


图:相比曾经的悬挂系统设计更加安全和稳定,前悬挂采用新设计的麦花臣形式,后悬挂则采用全新设计的半拖曳臂形式。
发动机部分同样提供四缸和六缸选择,共推出316、318i、320i和323i,采四缸M10发动机的318i采用更轻的缸体,使用Bosh博世LE-Jetronic燃油喷射,压缩比为10.0:1,最大扭力145N·m、最大马力105匹;最基础的316车型继续使用化油器形式,压缩比为9.5:1,最大扭力140N·m、最大马力90匹;320i和323i搭载的M20直列六缸发动机、Bosh LE-Jetronic燃油喷射、更大的进气口以及复杂的电子点火装置,压缩比同为9.8:1,最大扭力分别为170N·m和205N·m,最大马力125匹和139匹。

图:针对不同地区市场,E30也推出了不同型号的发动机,例如对于希腊和当时的南斯拉夫推出的316s,以及为美国和日本市场推出的325e。另外可以另外留意一下E30的前塔顶位置,可见其主销不但有后倾角度、而且还有很大内倾角,这就是BMW操控好的秘笈之一。
外观设计方面,此时已由Claus Luthe(克劳斯·路德)接任了Paul Bracq首席设计师的位置、执笔设计师是Boyke Boyer(博伊克·博耶),在开发和设计之时就下定了两个目标,首先是能确保用户可以通过一些元素来辨别出这是一款宝马车型,克劳斯·路德大量借鉴E21上的设计,其次是要简单区分出3系和5系的细部特征,因第二代5系(E28)同样出自克劳斯·路德之手。1981年,第一批量产版模型中并未获得一致同意,几经修改后直到1982年才正式推出,E30中并没有像第一代E21通过车灯数量区分,而是统一全车系标配双大灯,转向灯被放置在前保险杠处,车灯的方框显得更加饱满,采用低腰线使得车身更纤细流线,尾灯进行重新设计尺寸更大。

图:E30诞生时,普通家用轿车对于空气动力学的研究还不算太在乎,所以可见此时的E30依然使用着外露式的保险杠(Bumper)。这也是为何我们为何总在批判国内没多车媒编辑都是煮浆糊了,乘用车领域,车头车尾不论外露式还是内置式,从未出现过“防撞梁”这个学术名词,塑料杠后面那条金属杆体,还是叫Bumper,保险杠。


图:E30通过计算机辅助进行设计出更大尺寸、更硬,轴距加长了70mm,但车架重量仅比上一代重了7 kg。轮圈部分,为了装下四个更大的制动盘,轮圈拥有13~14寸可选。


图:内饰方面的差异主要在用料,采用四缸发动机的车型内饰为带有统一图案的织物材质,六缸车型则是采用手感较好的丝绒织物,中控台上增加电子时钟,整体设计依旧延续以驾驶员为中心布局。

图:包括BMW在内,当时很多车企虽然都有推出开蓬车,但大部分车企都是没有开关篷机构的技术的,他们一如汽车发展史延续下来的习惯,找一些有相关技术的Coachbuilder代工,E30上市后的一年后,BMW连同车身制造商Baur继续打造了敞篷版本Baur TC(E30/2Cab)。

图:与第一代E21一样,车顶带有巨大的防滚架,配备后侧窗,能进行四种形式选择,玩乐性比今天大部分的开蓬车都要高。

图:后来在1988年时,除了换代的Baur TC2外,还将四门硬顶版改成了敞篷车型,但它的样子并不协调。
1982年,作为德国车坛老大哥的Mercedes首次推出了下探D级车区间的W201、即Mercedes 190,这对BMW来说既是一次学习机会又可视为一次被降维打击。回看两个车企的历史,BMW师出Mercedes这段历史相信经常看咱们文章的车友应该不陌生,BMW的诞生是靠许可证生产Daimler航空发动机而起,首款自研汽车BMW 303也是Mercedes手把手教、甚至连车身都是在Daimler AG的车身部门完成的,这就更别说BMW的创始团队里从上到下大部分都是Daimler的前雇员了。不过,Mercedes在二战后基本都在造E、F、F+、S级别的车型,W201可算是首次将手伸到D级车领域,该车从1974年便开始研发,Mercedes投入了大量的资源去打造一辆D级车,堪称当时车坛难得一见的大制作。作为同级车型的BMW E30及其他竞品,都可谓是提心吊胆,要知道,W201所用到的很多技术、设计都是其他对手难以逾越的,例如从C111概念车移植过来的多连杆式后悬挂机构、前后防倾杆、防俯冲下沉结构、高强度钢材、内置式保险杠设计、甚至连当时顶尖的ABS、预紧式安全带等都有配备,在这等对手面前,E30令BMW高层都觉得自己简陋了。当然了,W201推出时万人空巷般的热卖情景,BMW定会选择避其锋芒,1983年1月才确定推出E30四门版本,另一边则准备小改款和中期更新的事宜。应该这样说,坊间总会流传着“Mercedes与BMW是对手”的说法,或多或少是从W201与E30的竞争开始的,或者当时的BMW高层心里会骂道:“一向当你大哥、你走你的阳关道、我走我的独木桥,好好造豪华车便是,为啥非要插只脚到D级车呢?”因为在此之前,Mercedes擅长的领域,BMW根本动不到这块蛋糕,不然也不会将一台定位E级车的Neue Klasse和后来的5系非要打上“运动化”的标签,不信,你查查在新级别和5系之前,谁家会将行政级轿车当高性能车来包装的?

图:1983年宝马宣布推出四门版的E30/4,动力形式增加了采用电子管理化油器的316、电子喷射形式的318i,323i的最大马力也提升至150匹。
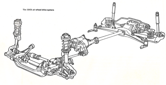
在1985年宝马在法兰克福车展上推出了小改款车型,直接点儿说就是“因应W201的推出进行的变阵”,在动力部分除了带来取代323i型号的325i,还带来了采用直列六缸柴油机器的324d,最大扭力152N·m,最大马力86匹。此外,宝马历史上首次将四驱系统投入到民用车上,早前在1937年四驱系统还只是放在国防军用车上。而带有全时四驱系统的325iX配备2.5升直列六缸发动机,搭配Getrag 260五速变速箱,最大扭力226N·m,最大马力171匹,最高时速达到217km/h,硬顶轿车版和旅行车版的总产量约为3.5万辆。

图:1980年代是四驱系统的第一次爆发期,只因FiA的Group B组赛例让世界车迷们为之疯狂和追捧。车企们为了迟到这波流量,也相继推出了四驱轿车。不过,说到民用四驱轿车的第一款量产,是1964年发布、1966年投产的英国Jensen FF,绝非什么天天吹的Audi,切勿看多了爽文上脑了。

图:325iX全时四驱。
除了正常的按照排气量数字规律的型号外,E30还有几款较为特殊的车型,例如1987年推出的318i和1989年推出的318is就开始搭载M10系列引擎的下一代产品M40系列,M40是M10的改进型号,气缸间距从100mm缩减至91mm,与直列六缸的M20相同;中缸部分采用铸铁材质,M40的配气机构为DOHC 8V布局,气门倾角14°、进气门直径42mm、排气门直径36mm。燃油供应系统由Bosch M1.3负责管理多点式喷射系统,最大扭力162牛米、最大马力113匹。在此基础上衍生出四气门版本M42B18,使用在1989年的318is上,最大扭力172牛米、最大马力136匹。再有一款较为特别的就是1986年时推出,针对意大利市场使用的、搭载S14B20的320is,对的,你没眼花、小编也没写错,就是与后台M3同系列、同产地的S14B20,M3使用的是S14B23,区别仅此而已,动力性能当然也对得起2.0L的排气量,最大扭力210牛米、最大马力192匹。说白了,意大利卖的320is就是国际版M3的“减税版”,只是不叫M3而已。


图:早前车型并没有推向意大利和葡萄牙市场,直到1985年才推出与318i相同的318is型号,配备BMW S14发动机,最大扭力172N·m,最大马力136匹,后续还推出320is等等“特供车型”,另外,对于南非市场还推出搭载3.2升M30发动机的333i车型。
还有一款名为325e的型号也属于较为特别的型号,该车使用一台名为M20B27的发动机,也就是坊间称为2.7 eta的版本,该发动机强调低转高扭力输出特性,主要是为了满足5系和7系这类大型车使用低排量引擎时造成的扭力不足问题而研发,既然有,3系这台325e只能算是个“借来玩玩”的配角,该引擎使用了更长的进气歧管、修改了气门正时、配上了更软的气门弹簧,目的就是尽可能地多进气,1000转时便可获得178牛米扭力、3250转时更达到240牛米,但奈何高转马力贫瘠,跑到4250转已到最高值122匹,即便是后来经过改进,也只是在4800转稍稍提高了7匹而已,这跟3系的运动型定位完全不相称,所以这台引擎很快便在1987年寿终正寝。如果要问整个E30时代动力性能最强的是谁?估计99.99%的车迷会说是M3,无论240牛米扭力还是Evo III时代的238匹,貌似都领先同级其他车型,但,但其实是有个例外的,那就是没在欧洲市场出现过、仅供南非市场独享的333i。该车配备一台M30B33直列六缸发动机,M30在BMW直六序列中属于大型直六,其气缸间距跟M10一样的100mm,排气量从2.5升至3.8升不等,而小型直六的M20最大排气量是2.7 eta版本,其他都是2.5L的,可见两者的定位,但因为M30更大,原则上不适合E30使用的。这款独特的333i其实是出自宝马南非赛车部之手,并请来了Alpina协助、以牺牲空调和风油呔的代价,将巨大的、原本用在732i上的M30B33发动机抬进了机舱,4300转时可发出285牛米的扭力,5000转时录得197匹马力参数,我们不堪那“好日都用唔到嘅”最大马力,光看285牛米的扭力输出就大幅抛离M3。

图:325e采用2.7 eta发动机拥有更大缸径缸体、新的曲柄、新的气缸盖以及Bosh Motronic Ecu相结合,缸径和行程为84×75mm,最大扭力为240N·m、最大马力122匹。改款车型在外观上更换了前保险杠的设计,前下扰流板利用略微向下弯曲设计使气流进一步从格栅内流入,轮胎尺寸从195/60R14改为195/65R14。内饰部分也让四缸和六缸版本之间的差异缩减,并且推出“Pepita”织物内饰。

图:333i仅作为赛车和N组认证车生产了210辆,各方面行驶性能都不在M3之下,如果非要吹毛求疵的话,就是没有风油呔和没有空调这个较为“难顶”。
同样在1985年法兰克福车展上,宝马展示了由BMW Motorsport GmbH打造的性能版本车型M3 E30,它搭载的是由M10改造的S14发动机,由M10四缸缸体、减少两个气缸的M88缸盖结合而成,缸径和行程为93.4×84mm,排气量2302cc,压缩比为10.5:1,最大扭力240N·m,无催化版本最大马力200匹、装上催化后195匹。在1987年至1992年间获得无数胜利和多项国际和国内房车锦标赛的胜利,M3 E30便成为迄今为止最成功的房车之一。值得一提的是,在面向美国市场的M3车型并没有配备所谓的“狗腿变速箱”,该变速箱的倒车档位在非常规的左上角处,为了避免挂错档导致意外发生所以并未在美版M3中安装该变速箱。



图:M3起初是用于A组赛车使用,因法规要求必须在12个月内售出至少5,000辆合法上路民用版本才能获得赛车资格,BMW M3由此诞生,除了更换新的发动机,制动系统、悬挂系统也随之跟进,前后保险杠、侧裙、行李箱盖和扰流板均由塑料制成,全车重量仅1,200kg。

图:在1988年9月,M3车型衍生出敞篷版M3 Cabrio,该敞篷车并不像Baur打造的车型那样有巨大且有失美观的防滚架,车身、门槛和窗框上进行加固,同时通过电动液压形式开关敞篷,提供带有乙烯基盖的硬顶和Wiesmann的硬顶选择,整车重量增加125kg。

图:M3 E30的产量其实并不多,其中还有Johnny Cecotto(505辆)、Evolution II(505辆)、Sport-Evolution(600辆)等特别版车型,以及改装品牌如Alpina、AC Schnitzer和BBR等打造的特别车型,共计17,970辆。
直到1987年之后,E30车型产生重大的改变,除了外观设计增加更多细节,如保险杠上的镀铬被删除、尾灯和后裙板尺寸改变,内饰面料设计在不同版本车型中也变得与众不同。更重要的是,首次采用旅行车车身设计,E30 Touring由Max Reisböck设计,起初的设想是因家庭不断壮大以及预算有限,基于四门E30打造,但后来完工后受到管理层的欢迎,随后便开始投产。

图:最初 Max Reisböck购买一辆高里程的323i推到朋友家车库中施工,即便合同规定没有明确许可不准对宝马车型进行车身改造,但他还是下手了,在没有图纸的情况下,将帕萨特的后尾箱作为后舱盖与E30拼凑而成,但没想到的是管理层不但没责怪他反而很喜欢这辆车,在支付了他“秘密工作”的费用后便把车子带走。

相信时至2025年的今天,依然还有不少国人以为“电动车”是21世纪的新科技,这不,中国不是还出了个什么“亚洲电动车之父”吗?说过无数遍了,电池车是1832年诞生的,1883年前后进入实用化,第一家电池车新势力车企诞生于1894年前后,曾经销量上遥遥领先与内燃机汽车,1920年代因为电启动马力的诞生和裂解法生产轻质汽油,电池车没落。但之后的日子了,电池车不时会像节日放烟花那样偶尔露个头,1987年,BMW以“高性能电池车”研发项目,将8辆325ix改装成前轮驱动的电池车,配备了22度电的钠硫电池,用上了一颗ABB公司生产的22kW直流电机,最高时速100 kph,可以跑150公里,算起来,每百公里的耗电量也就是15度电,相比今天那些电池车差不多,反过头来看,这几十年后的电池车貌似除了电池容量大了外,PCU的性能不也就那样了吗?对了,1987年时锂电池还未面世。

图:1987年宝马还将8辆325iX改装为电动前驱车,配备22kWh电池和ABB 22kW直流并联电机,后来被移交给德国联邦邮政等客户试用。


第二代3系(E20)无论是在市场上还是影响力上都比第一代要更成功,直到1994年,在这12年生命周期中共售出超过230万辆,其中双门和四门硬顶型号的总产量达到了2,092,122辆,相比只有四门版的Mercedes W201的1,874,668要高,但如果只论四门轿车,E30依然不低W201,毕竟大部分的E30买家都会选择双门版,实用型的会选择Touring旅行车版。但也正是E30这一代的热卖,奠定了BMW 3系在全球车坛的地位,加上此时最大的竞争对手Opel已经开始走下坡路,BMW再通过E36正式坐稳了德国车坛第二把交椅的地位。









